
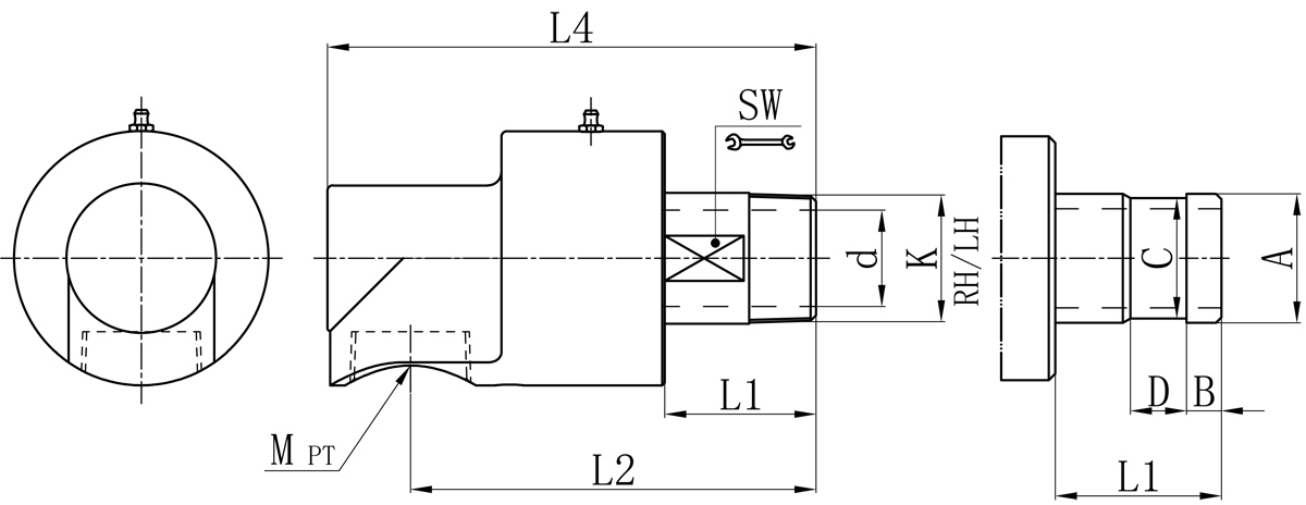
| Model | K | M | d | L1 | L2 | L4 | SW | 法蘭式外管尺寸對照表 | |||
| A | B | C | D | ||||||||
| 15A | R1/2" | Rc1/2" | 13 | 35 | 99 | 115 | 20 | / | / | / | / |
| 20A | R3/4" | Rc3/4" | 17 | 38 | 105 | 125 | 26 | 26 | 11 | 24 | 16 |
| 25A | R1" | Rc1" | 21 | 41 | 116 | 137 | 31 | 34 | 12 | 32 | 18 |
| 40A | R1-1/2" | Rc1-1/2" | 36 | 53 | 148 | 177 | 46 | 47.8 | 13 | 45 | 20 |
| 65A | R2-1/2” | Rc2-1/2” | 60 | 79 | 214 | 261 | 80 | 74 | 19 | 70 | 24 |
| 80A | R3” | Rc3” | 72 | 85 | 231 | 285 | 87 | 87 | 23 | 84 | 24 |
如屬規格品外,本公司可配合要求制作。
規格尺寸如有修改,恕不另行通知。
Copyright ?福建省閩旋科技股份有限公司 版權所有 閩ICP備05026600號 中機標準化研究院 網站建設:科偉網絡